| Size | 3/8"(10mm) & 2"(50mm) |
|---|---|
| End Connection | Std.-G-ISO-228 (BSP-F), Optional-NPT. |
| Body Material | SS ASTM A351 Gr.CF8/CF8M. |
| Differential Pressure | 0 to 6 bar (Refer table below) |
| Coil voltage | Standard -230volts, 50Hz.AC. Optional – 24,110, 240 V DC & AC 50Hz or 60Hz. |
| Coil Rating | Continuously rated. |
| Fluids | Air, Water, Gas , mild vacuum, light oil, mild corrosive fluid, etc. |
| Application | Gas burning equipments autoclaves, oil centrifuge plants, vacuum plants, pump seal water application, low pressure water circulation system, solar heating systems, gas generator and others. |
| Seat | Standard – Nitrile (Buna ‘N’) Optional – Neoprene, Viton, EPDM |
| Temperature of Fluid | ' -5°C to 80°C |
| Coil Insulation & Temperature | Class ‘H’ insulated upto 155°C. |
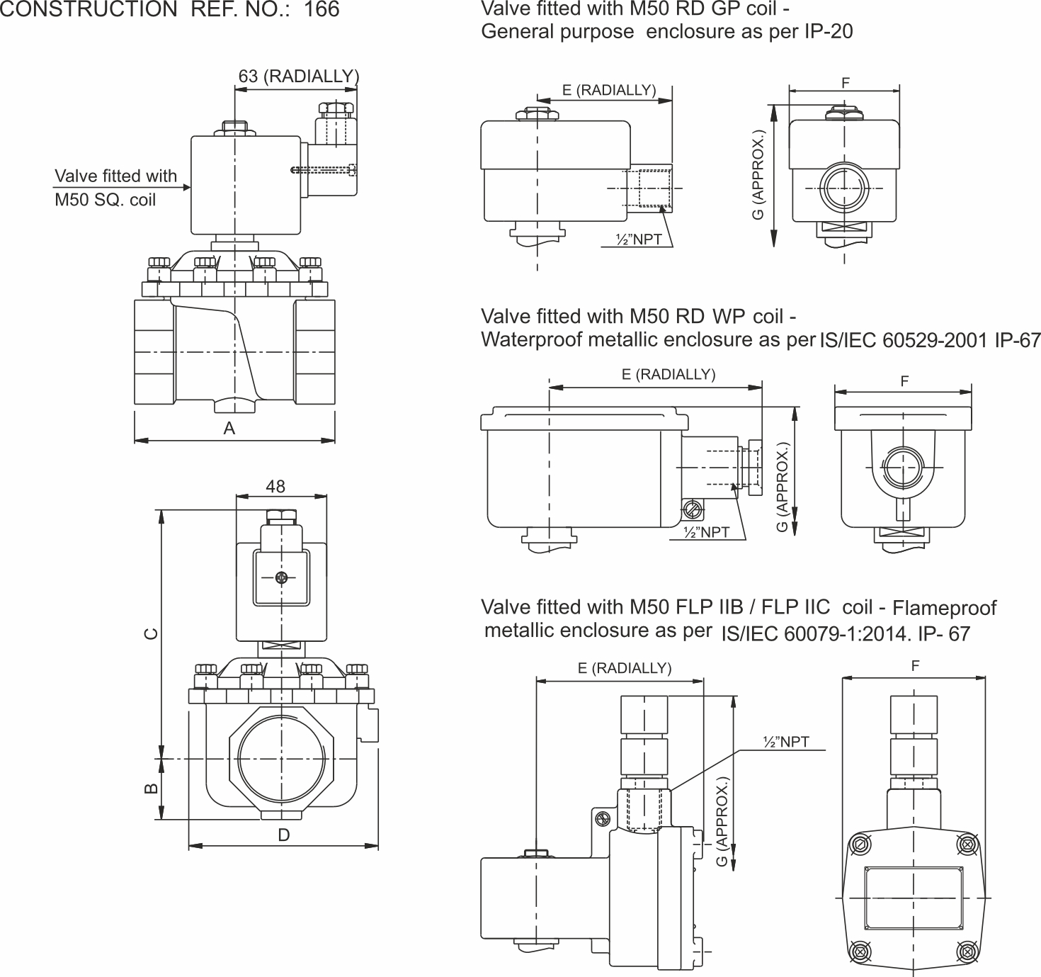
| Enclosure | Standard-General purpose IP-20, Optional-Weatherproof- RD-WP-67, Flameproof-RD-FLP-IIC + WP67. |
| Optional Feature | Mounting Bracket. |
| Sales Point | Large ported full flow,reliable,compact, maintenance free. |
| Note | 1) Use of filter in the inlet size is highly recommended., 2) Not suitable for back pressure from outlet side. |
Technical Data
9230D_Technical-datasheet.pdf
Diagrams

CATEGORIES
Solenoid Valve
R Star Series
- - View All
- - Internal Pilot Operated Valves
- - Direct Acting type
- - 3-way Manifold Mounted Valves
- - Interrnal Pilot Operated & External Pilot Operated
- - Universal Ported
- - Force Lift Type
- - Poppet Type
- - Midget Type Direct Acting
- - Namur Mounting / Namur Based Valves
- - Poppet Type, Universal Ported
- - Pilot Operated, Diagram Valve
- - Pilot Operated, Spool Type
Gas Products
Ball Valves
Butterfly Valves
Pneumatic On/Off Valves
Pharma & Diaphragm Seated Valves
Control Valves
Actuators
Angle Seated Valve
Switch Boxes





